
15513281670/15203514297

VTD86R10多圈角度傳感器
VTD86R10角度傳感器是一種一體化、磁絕對角度傳感器,采用維特森科技 “磁-角度位移檢測” 、“磁干擾屏蔽”及“本體加固”技術設計。每個產品出廠都擁 有獨一無二的磁場標定數據,即使在振動、沖擊、油污等惡劣的環境下也可實現對0-1440°范圍絕對角度位移數值的高可靠性測量。
型號規則
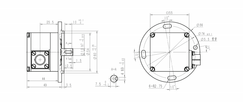
外形尺寸圖
![]()
■ 測量范圍: 50/64/80/N圈 *(0~360° )
外觀:
● 外形特征:同步法蘭,硬合金鋁外殼,密封雙軸承結構。
● 轉軸形式:不銹鋼軟軸,鍵連接。
● 外殼顏色:黑色或其它定制顏色。
● 表面處理:噴砂氧化或噴漆。
● 出線方式:航空插座。
特點:
● 自主“磁陣列檢測”技術,輸出線性優異。
● 絕對角度輸出, 即讀即用,無累積誤差。
● 非接觸式測量,避免了使用過程中的磨損,使用壽命長,免維護。
● 串行通信,可實現多種通信協議,方便連接各種上位機設備。
● 寬工作電壓,低消耗電流。
● 零位可設定,安裝方便,無需找零。
● 2路可編程開關輸出信號,能輕松實現行程限位及安全保護功能。